| Sign In | Join Free | My chinaqualitycrafts.com |
|
Brand Name : kingpo
Certification : ISO 17025
Place of Origin : china
MOQ : 1
Price : To be quoted
Payment Terms : T/T
Supply Ability : 50 set/ month
Packaging Details : safety carton pack or plywood box
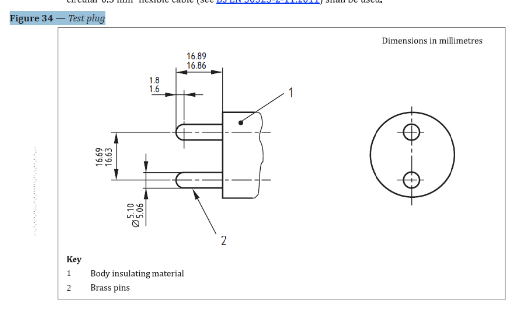
BS 4573 Temperature Rise Plug Gauge


|
|
BS 4573 Temperature Rise Plug Gauge for Electrical Socket Testing Images |